Skip to content
Free Standard Shipping on ALL UK Orders & 30 Day Returns
Free Standard Shipping on ALL UK Orders & 30 Day Returns

300mm Industrial Ventilation Metal Fan Axial Commercial Air Extractor Exhaust

£109.99 inc. VAT
£91.66 exc. VAT
FREE UK Shipping
SKU EZ01085
  • Power: 125W
  • Speed: 2400 RPM
  • Max Air Flow: 1800 m3/HR
  • Blade Size: 12" (300mm)
  • Fully CE Approved
  • Description

  • Additional Information

  • These high-performance commercial AC axial fans come in a variety of sizes to suit your every need. With a wide range of applications these fans can be used in a range of applications from ventilation, cooling, heat and refrigeration to workshops, restaurants, warehouse and more.

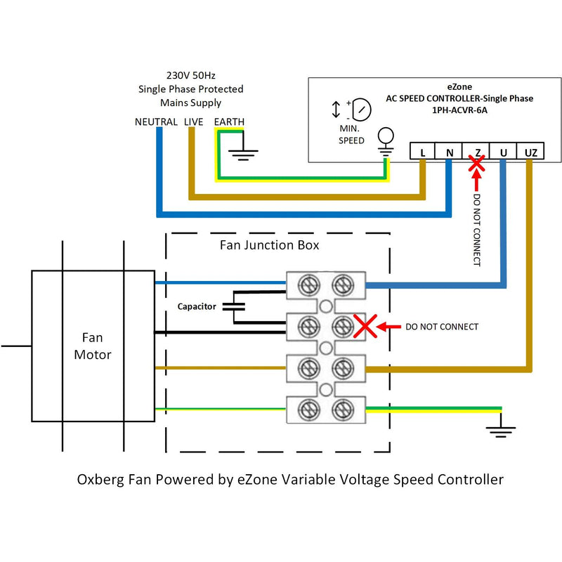
    They are low noise, high-efficiency fans have a great compact structure and are simple to install with pre-drilled mounting holes making installation quick and simple, the single phase 220-240V AC motor should be connected by a qualified electrician to ensure a correct fitting.

    Constructed from steel these fans have a black paint finish for a professional discreet look and come complete with front safety guard and mounting plate, they have been fully CE approved and tested to comply with all current EU regulations and have a full ccc safety certificate.

    Features

    • Material: Steel
    • Direction: Clockwise, see on the motor
    • Protection: IP54
    • Insulation class: B / F
    • Mounting position: Any
    • Mode of operation: Continuous
    • Ball bearing: Maintenance-free
    • Motor protection: Thermal overload
    • Amb. temp: -30C~+60C
    • Product Conformity: UKCA and CE
    • Warranty: 1 Year Parts Only. For More Details Click Here

    Typical Applications

    • Commercial Kitchen Ventilation
    • Agriculture
    • Sports Halls
    • Industrial Units and Warehousing
    • Factories
    • Schools
    • Air Conditioning Units
    • Cooling Towers & Stations
    • Marine
    • Airports
    • Hotels

    Technical Details:

    Blade Size Blades Poles Air Flow (m3/HR) Speed (R.P.M.) Voltage/Frequency Power (W)
    12" (300mm) 5 2 1800 2400 230V/50 Hz 125
  • SKU EZ01085
    BARCODE 0610922174514
    MANUFACTURER eZone
    BRAND OXBERG
    MPN OX-2SFA5-300B
    UNIT QUANTITY 1
    UNIT TYPE Unit
    WEIGHT 5900 g